//인페이지 광고 //인페이지광고 MCC UNIT Start, Stop 동작 방법 :: 전기, 계장 엔지니어

MCC UNIT Start, Stop 동작 방법

 

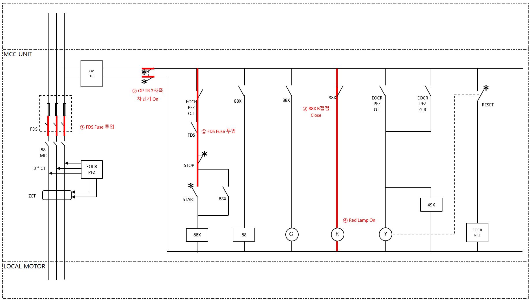
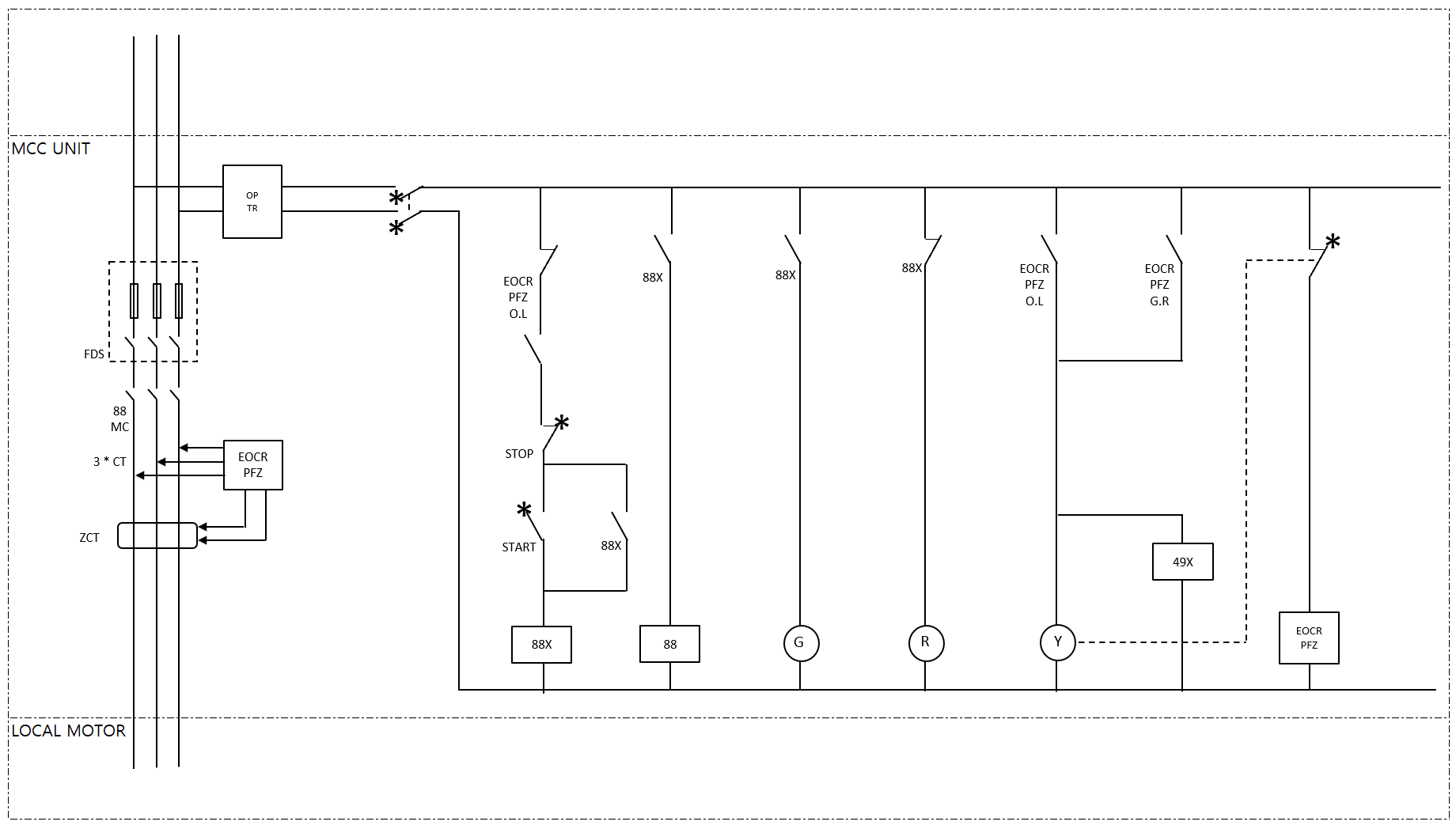
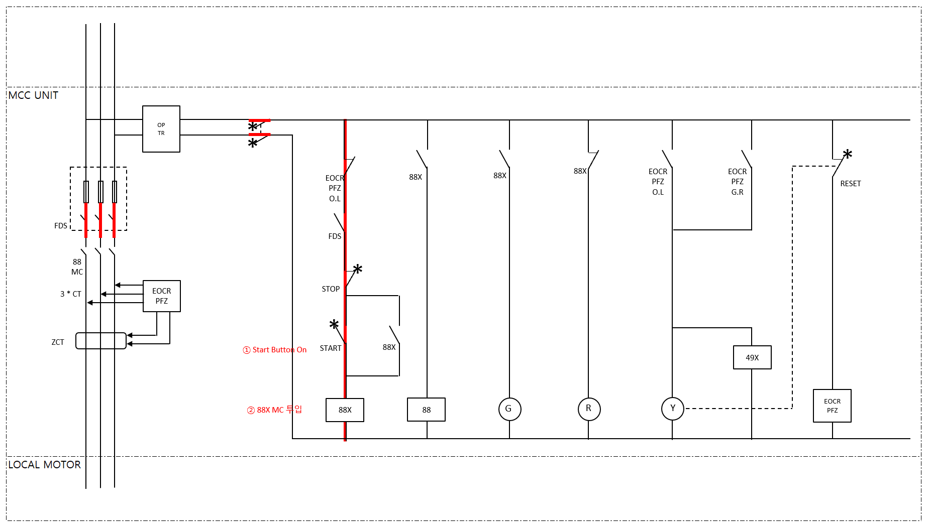
STEP - 1 MCC UNIT 도면

 

 

 

STEP - 2

1. FDS Fuse 투입 및 OP TR 2차측 차단기 On

2. 88X B접점은 Close가 되어있어 통전이 되고 이로 인해 Red Lamp On

 

 

 

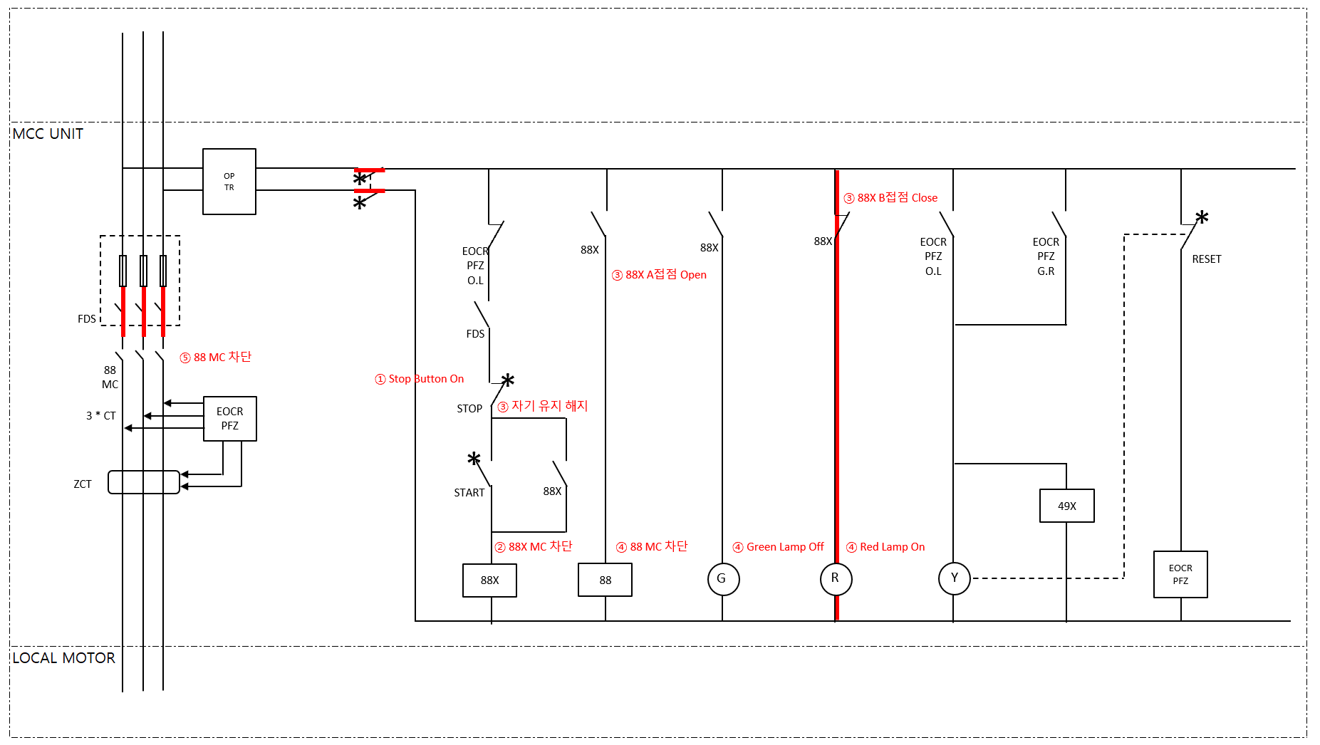
STEP - 3

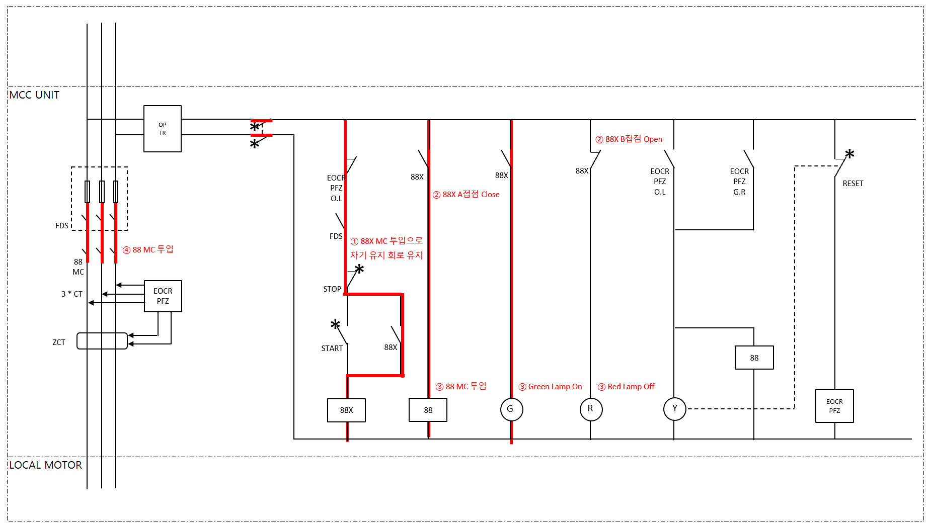
1. Start Button On 되면, 88X MC 투입

 

 

 

STEP - 4

1. 88X MC 투입으로 자기 유지 회로가 유지 됨

2. 88X A 접점 Close 되어 88 MC 투입 및 Green Lamp On

3. 88X B 접점 Open 되어 Red Lamp Off

 

 

 

STEP - 5

1. Stop Button On 누르면 자기유지 회로가 해지

2. 88X A 접점 Open 되어 88MC 차단 및 Green Lamp Off

3. 88X B 접점 Close 되어 Red Lamp On 

+ Recent posts