반응형
보조계전기의 3a1b 이해
보조계전기에 3a1b, 2a2b 같은 단어를 보셨을 텐데요
3a1b의 의미는 A접점이 3개이고, B접점이 1개 라는 뜻입니다.
2a2b의 의미는 A접점이 2개이고, B접점이 2개 라는 뜻입니다.
이때 A접점은 Normal 일 때 Open이고 신호를 받으면 Open → Close 되는 접점입니다.
B접점은 Normal 일 때 Close이고 신호를 받으면 Close → Open 되는 접점입니다.

사진은 3a1b 보조계전기입니다.
Schematic Diagram에 표를 작성하면 아래와 같습니다.

노란색 : 보조계전기 이름
초록색 : a접점, b접점
파란색 : 접점에 연결하는 Numbering
주황색 : 도면에서의 위치 (공란은 Spare 의미)

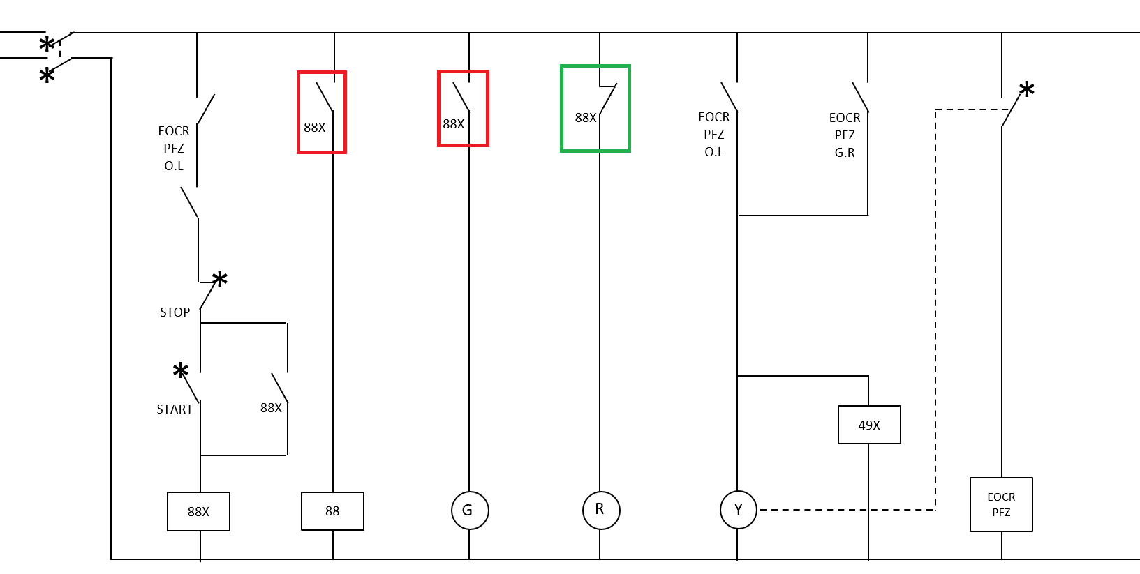
Schematic Diagram 입니다. 해당 도면으로 볼 경우 a접점은 빨간색으로 2개, b접점은 초록색으로 1개 입니다.
즉 3a1b 보조계전기에서 a접점 2개, b접점1개 그리고 Spare 1개가 됩니다.
반응형
'전기, 계장 직무' 카테고리의 다른 글
| MCC Unit Primary(1차)&Secondary(2차) Power Plug 이해 및 실측 사진 (0) | 2024.07.27 |
|---|---|
| 효율적이고 안전한 건물 전기 설비 꿀팁 (0) | 2024.07.26 |
| 스위치, 램프의 A접점, B접점 의미와 회로도의 적용 예시 (0) | 2024.07.25 |
| 전기 기자재 설치 사진 (C-CHANNEL, ANGLE, PLATE, CONDUIT PIPE 등) (0) | 2024.05.28 |
| 가승인품의서와 승인품의서의 차이 (0) | 2024.03.14 |